
JSP型带制动盘型蛇形联轴器减振性好,使用寿命长,联轴器以蛇形弹簧片轴向嵌入两半36%以上。梯形截面的蛇形弹簧片采用弹簧钢,经严格的热处理,并加工而成,具有良好的机械性能,从而使JS蛇簧联轴器的使用寿命远比非金属弹性元件联轴器(如弹性套柱销,尼龙棒销联轴器)大为增长。
JSP型带制动盘型蛇形联轴器结构简单,装拆方便,整机零件少,体积小,重量轻,被设计成梯形截面的弹簧片与梯形齿槽的吻合尤为方便,紧密,从而使装拆,维护比一般联轴器简便。
联轴器允许有较大的安装偏差,由于弹簧片与齿弧面是点接触的,所以使联轴器能获得较大的挠性。它能被安装在同时有径向,角向,轴向的偏差情况下正常工作。
JSP型带制动盘型蛇形联轴器动力机的机械特性对整个传动系统有影响,不同类别的动力机,由于其机械特性不同,应选取相应的动力机系数K,选择适合于该系统的联轴器。动力机的类别是选择联轴器品种的基本因素;动力机的功率是确定联轴器的规格大小的主要依据之一,与联轴器转矩成正比。固定的机械产品传动系统中的动力机大都是电动机,运行的机械产品传动系统(例如船舶、各种车辆等)中的动力机多为内燃机,当动力机为缸数不同的内燃机时,考虑扭振对传动系统的影响,这种影响因素与内燃机的缸数、各缸是否正常工作有关。此时一般应选用弹性联轴器,以调整轴线固有频率,降低扭振降幅,从而减振、缓冲、保护传动装置部件,提高输出功率的稳定性。
JSP型带制动盘型蛇形联轴器与直齿式联轴器相比,外形尺寸小,承载能力大,在高速运转时工作稳定。应用范围:适用于冶炼、轧钢、重型机械、汽轮机、石油化工业、船舶等各行业。
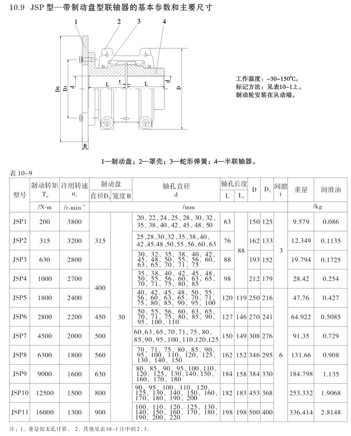
JSP型带制动盘型蛇形联轴器型号有:JSP1、JSP2、JSP3、JSP4、JSP5、JSP6、JSP7、JSP8、JSP9、JSP10、JSP11。
技术参数:


